Нови артикули
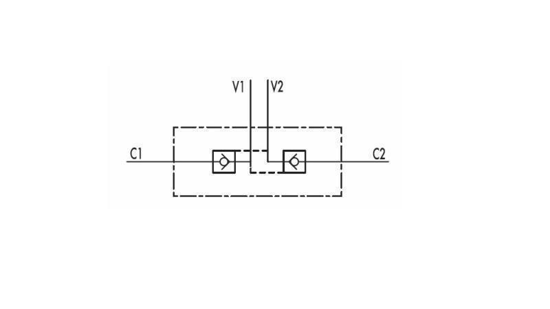
БЛОКОВ КЛАПАН VBPDE 3/8 - 35лит С МАРКУЧИ
Употреба:
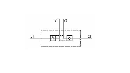
Блоковите клапани се използват за блокиране на цилиндъра в двете посоки на работа. Потокът първо се освобождава в едната посока и се блокира в другата посока, докато не се приложи контролно налягане в другата посока. Функцията работи в обратна посока и в другата посока. Блоковите клапани са лесни за инсталиране на съществуващи хидравлични цилиндри.
Метални маркучи:
се използват за монтиране на клапана на цилиндъра. По-краткият маркуч остава фиксиран, докато по-дългият маркуч се реже или регулира до дължината на връзката на цилиндъра. Блоковият клапан с маркучи не може да бъде монтиран на цилиндър с ход по-кратък от 150 мм.
Материал:
Желязо - поцинковано
Вътрешността на клапана е изработена от твърди материални части
Уплътнения BUNA N стандарт
Връзка:
Свържете хидравличната налягане линия към V1 и V2. Свържете C1 и C2 към изпълнителя (хидравличен цилиндър).









