Nové produkty
BEZPEČNOSTNÍ VENTIL CETOP 3 (AINB) 15-315 BAR
Kód produktu:
13104
OEM:
9990000087563
Sazba daně
22 %
Cena bez DPH:
1.252,05 CZK
Cena s DPH:
1.527,50 CZK
Ref:
0
Popis:
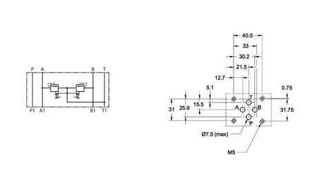
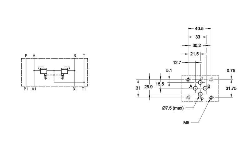
Kontrolní ventil Cetop 3 je instalován mezi základnou a ventilem. Používá se k zamezení toku oleje v opačném směru.
(AinB): kontrolní ventil na připojení 'A' a na připojení 'B'.
(A): kontrolní ventil na připojení 'A'.
(B): kontrolní ventil na připojení 'B'.
(P): kontrolní ventil na připojení 'P'.
Dodavatel:
Španělsko
Vrátit nebo vyměnit:
14 dní
Hmotnost produktu:
1.5 kg
Záruka:
6 měsíců
max. nastavitelné tlak:
15-315 bar
Max. průtok:
35 l/min
max. tlak:
315 bar







