Nové produkty
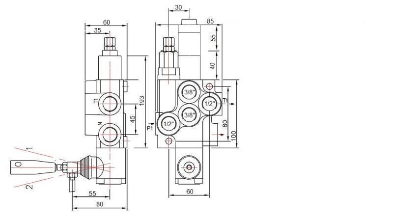
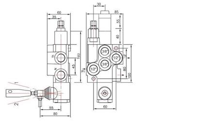
RUČNÍ HYDRAULICKÝ VENTIL MONOBLOK 1xZ50 + PLOVOUCÍ FUNKCE
Obecný popis:
Manuální nebo mechanický hydraulický ventil Р40 je určen pro rozdělení a řízení pracovního toku mezi hydraulickou pumpou a spotřebiteli (válce, hydraulické motory…).
Hydraulické ventily se používají pro různé účely v zemědělství, průmyslu, stavebnictví atd. pro řízení:
- jednočinné válce
- dvoučinné válce
- hydraulické motory
- plovoucí funkce (pro pluh)
- joysticky (nahoru-dolů, vlevo-vpravo)
Jsou sestaveny v bloku od 1 do 7 pák.
Provoz:
Všechny hydraulické ventily jsou vybaveny bezpečnostním ventilem. V neutrální poloze (páka uprostřed) olej cirkuluje ventilem. Když je páka posunuta na jednu nebo druhou stranu, hydraulický ventil způsobí pohyb válce nebo otáčení hydraulického motoru jedním nebo druhým směrem. Po uvolnění páky se automaticky vrátí do neutrální polohy, hydraulický motor nebo válec se zastaví v aktuální poloze a olej opět cirkuluje ventilem. Je možné použít takzvaný prvek 'uzavřeného středu', který změní ventil tak, aby v neutrální poloze olej neprocházel ventilem nebo takový ventil již neteče. Při používání nebo připojování dalších ventilů je nutné použít prvek 'carry over', který umožňuje dodávku oleje pro další ventily.
Ve ventilech se šrouby pro plovoucí funkci umožňuje válci volný tok oleje, což následně znamená, že válec se pohybuje volně (nebo sněhový pluh se přizpůsobuje terénu).
Ventily se šrouby pro jednočinné válce jsou určeny pro jednočinné válce.
Stavba:
Р40 je monoblokový rozdělovací ventil. Je vyroben z litiny EN-GJL300. Šrouby jsou vyrobeny z uhlíkové oceli a jsou tvrdě chromovány.
Připojení:
Šroub je přišroubován dvěma šrouby M8.







