Nye produkter
HYDRAULISK PROPORTIONAL TRAKTOR BREMSVENTIL - OLIESYSTEM
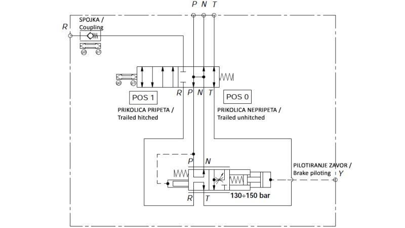
Beskrivelse:
Det hydrauliske proportionale traktor bremsventil er en komponent, gennem hvilken vi kan synkront bremse traileren med traktoren. Ventilen er installeret på traktoren, som forbinder til hydraulikken og retningsventilerne samt det eksisterende bremsesystem. Bremsventilen styres direkte af bremsepresset fra traktoren. Uden tryk i det hydrauliske system Y (traktor bremsesystem), er R forbundet til T (tank) og P er forbundet til N (flow overskud).
Når flowet i Y øges, aktiverer flowkraften returfjederen, som lukker forbindelsen mellem R og T og etablerer en forbindelse mellem R og P. Hvis nødvendigt, reduceres flowet mellem P og N for at skabe tryk i R.
Load Sensing ventilen (LS) er installeret på R. Det maksimale tryk på bremsesystemet er 130 - 150 bar.
I den første fase af bremsning kan ventilen omdirigere hele flowet fra pumpen til trailerens bremser, så forbrugeren ved forbindelsen N midlertidigt kan være uden olie.
Bemærk ved installation:
Den proportionale ventil er et sikkerhedselement, der kræver maksimal opmærksomhed under inspektion og service af ventilen. Installer ikke ventilen før andre sikkerhedskomponenter (f.eks. styring).
Normalt installeres ventilen mellem pumpen (med konstant flow eller Load Sensing ventil) og kontrolventilen, hvor der ikke er andre sikkerhedskomponenter i denne hydrauliske kreds.










