Uued tooted
KÄSIJUHTIMISEGA HÜDRAULILINE VENTIIL MONOBLOKK 2xZ50 + UJUVA FUNKTSIOON
Üldine kirjeldus:
Manuaalne või mehaaniline hüdraulika klapp Р40 on mõeldud töövoo jaotamiseks ja juhtimiseks hüdraulikapumba ja tarbijate (silindrid, hüdraulilised mootorid…) vahel.
Hüdraulika klappe kasutatakse erinevatel eesmärkidel põllumajanduses, tööstuses, ehituses jne. järgmiste juhtimiseks:
- ühepoolsete silindrite
- kahepoolsed silindrid
- hüdraulilised mootorid
- ujufunktsioonid (labida jaoks)
- juhtkangid (üles-alla, vasak-parem)
Need on kokku pandud 1 kuni 7 kangist koosnevas plokis.
Toimimine:
Kõik hüdraulika klapid on varustatud turvaventiiliga. Neutraalses asendis (kang keskel) ringleb õli klapi kaudu. Kui kangi liigutatakse ühele või teisele poole, põhjustab hüdraulika klapp silindri liikumise või hüdraulilise mootori pöörlemise ühes või teises suunas. Pärast kangi vabastamist naaseb see automaatselt neutraalsesse asendisse, hüdrauliline mootor või silinder peatub praeguses asendis ja õli ringleb uuesti klapi kaudu. On võimalik kasutada nn 'sulgemiskeskuse' elementi, mis muudab klapi nii, et neutraalses asendis ei ringle õli klapi kaudu või selline klapp ei voola enam. Teiste klappide kasutamisel või ühendamisel on vajalik kasutada 'ülekande' elementi, mis võimaldab õli varustamist teistele klappidele.
Ujuvfunktsiooniga spindlitega klappides võimaldab see silindril õli vabalt voolata, mis tähendab, et silinder liigub vabalt (või lumelabidas kohandub maastikuga).
Ühepoolsete silindrite jaoks mõeldud spindlitega klapid on mõeldud ühepoolsete silindrite jaoks.
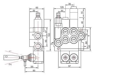
Konstruktsioon:
Р40 on monobloki jaotuskapp. See on valmistatud malmist EN-GJL300. Spindlid on valmistatud süsinikterasest ja on kõva kroomkattega.
Ühendused:
Spindel on kinnitatud kahe M8 kruviga.







