Nuevos Productos
MANUAL VÁLVULA HIDRÁULICA MONOBLOQUE 5xZ50
Descripción general:
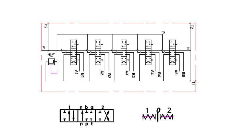
La válvula hidráulica manual o mecánica Р40 está diseñada para la distribución y control del flujo de trabajo entre la bomba hidráulica y los consumidores (cilindros, motores hidráulicos…).
Las válvulas hidráulicas se utilizan para diversos propósitos en agricultura, industria, construcción, etc. para controlar:
- cilindros unidireccionales
- cilindros bidireccionales
- motores hidráulicos
- funciones flotantes (para arado)
- joysticks (arriba-abajo, izquierda-derecha)
Se ensamblan en un bloque de 1 a 7 palancas.
Funcionamiento:
Todas las válvulas hidráulicas están equipadas con una válvula de seguridad. En la posición neutral (palanca en el medio), el aceite circula a través de la válvula. Cuando la palanca se desplaza hacia un lado o el otro, la válvula hidráulica provoca el movimiento del cilindro o la rotación del motor hidráulico en una dirección o la otra. Después de soltar la palanca, vuelve automáticamente a la posición neutral, el motor hidráulico o cilindro se detiene en la posición actual, y el aceite circula nuevamente a través de la válvula. Es posible el uso de un elemento de 'centro cerrado', que cambia la válvula de modo que en la posición neutral, el aceite no circula a través de la válvula o tal válvula ya no fluye. Al usar o conectar otras válvulas, es necesario utilizar el elemento de 'carry over', que permite el suministro de aceite para otras válvulas.
En válvulas con husillos para función flotante, permite el flujo libre de aceite del cilindro, lo que significa que el cilindro se mueve libremente (o el quitanieves se adapta al terreno).
Las válvulas con husillos para cilindro unidireccional están destinadas a cilindros unidireccionales.
Construcción:
Р40 es una válvula de distribución monobloque. Está hecha de hierro fundido EN-GJL300. Los husillos están hechos de acero al carbono y están cromados duro.
Conexiones:
El husillo se atornilla con dos tornillos M8.








