Uudet tuotteet
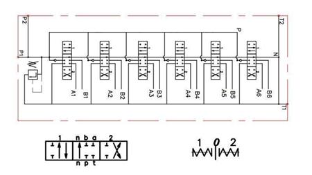
MANUAALINEN HYDRAULINEN VENTTIILI MONOBLOKKI 6xZ80
Yleiskuvaus:
Manuaalinen tai mekaaninen hydraulinen venttiili Р80 on suunniteltu työvirran jakamiseen ja hallintaan hydraulipumpun ja kuluttajien (sylinterit, hydrauliset moottorit…) välillä.
Hydrauliventtiilejä käytetään erilaisiin tarkoituksiin maataloudessa, teollisuudessa, rakentamisessa jne. hallitsemaan:
- yksitoimisia sylintereitä
- kaksitoimisia sylintereitä
- hydraulisia moottoreita
- kelluvia toimintoja (auralle)
- ohjaimia (ylös-alas, vasemmalle-oikealle)
Ne kootaan lohkoon 1-6 vivusta.
Toiminta:
Kaikki hydrauliventtiilit on varustettu turvaventtiilillä. Neutraalissa asennossa (vipu keskellä) öljy kiertää venttiilin läpi. Kun vipua siirretään toiselle tai toiselle puolelle, hydrauliventtiili saa sylinterin liikkumaan tai hydraulimoottorin pyörimään yhteen suuntaan tai toiseen. Vapautettaessa vipu se palautuu automaattisesti neutraaliin asentoon, hydraulimoottori tai sylinteri pysähtyy nykyiseen asentoon, ja öljy kiertää jälleen venttiilin läpi. On mahdollista käyttää niin sanottua 'suljettua keskusta' elementtiä, joka muuttaa venttiiliä siten, että neutraalissa asennossa öljy ei kierrä venttiilin läpi tai tällainen venttiili ei enää vuoda. Kun käytetään tai liitetään muita venttiilejä, on tarpeen käyttää 'carry over' elementtiä, joka mahdollistaa öljyn syötön muille venttiileille.
Kelluvia toimintoja varten varustetuissa venttiileissä se sallii sylinterin vapaan öljyvirran, mikä tarkoittaa, että sylinteri liikkuu vapaasti (tai lumiaura mukautuu maastoon).
Yksitoimisia sylintereitä varten varustetut venttiilit on tarkoitettu yksitoimisille sylintereille.
Rakenteet:
Р80 on monoblock-jakeluventtiili. Se on valmistettu valuraudasta EN-GJL300. Vipuvarret on valmistettu hiiliteräksestä ja ne on kovakromattu.
Liitännät:
Vipuvarsi on kiinnitetty kahdella M8 ruuvilla.







