Uudet tuotteet
KAKSOISSADETTAVA PAINEKATKAISIN 20-300BAR XMLB300D2C11
Tuotekoodi:
13160
OEM:
9990000088171
Verokanta
22 %
Hinta ilman ALV:tä:
209,02 EUR
Hinta ALV:n kanssa:
255,00 EUR
Ref:
1
Kuvaus:
Kaksoissäädettävä painekytkin, käytetään hydraulisten öljyjen ja muiden aineiden paineen ohjaamiseen.
Differenssikytkin havaitsee kaksi raja-arvojen tasoa; kun asetettu raja-arvo saavutetaan, kytkin vaihtuu.
Se mahdollistaa paineen ylläpitämisen säädettävien raja-arvojen (ylä- ja alaraja) välillä, mikä on tarpeen työskentelyyn. Esim. viinirypälepuristin.
Toimittaja:
Ranska
Maksimipaine:
300 bar
Palautus tai vaihto:
14 päivää
sähkön virta:
1.5A
sähkön jännite:
240V
Tuotteen paino:
0.78 kg
Takuu:
6 kuukautta
käyttölämpötila:
-25 / +70°C
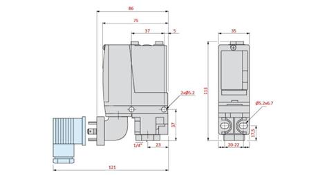
media liitäntä:
1/4"
max. säädettävä paine:
20 - 300 bar
min. paine:
20 bar
Materiaali:
sinkki-seos
IP-suojaus:
IP 65







