Uudet tuotteet
LETKU VIRTAUS SÄÄDIN VRF - VAIMENNUS EI-PALUU VENTTIILI 3/8 YHEN SUUNTA - 45lit
Käyttö:
Venttiili toimii valitsimena virtaussäätimenä yhteen suuntaan, kun taas käänteisessä suunnassa on vapaa virtaus hydraulista öljyä. Koska venttiili ei kompensoi painetta vapaassa virtauksessa, virtaus riippuu suurelta osin öljyn paineesta ja viskositeetista.
Materiaali:
Kotelo: metalli, galvanoitu
Tiiviste: BUNA N standardi
Sulku: pallotyyppi
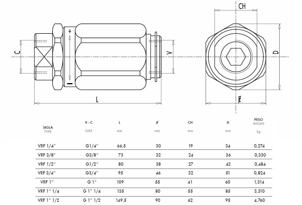
Liitäntä:
Liitä V painepuolelle ja C toimilaitteen puolelle (kuluttaja). Virtausta säädetään näin C:stä takaisin V:hen ja se on vapaa käänteisessä suunnassa. Kun käytetään venttiiliä toimilaitteen kanssa, jossa on jo lohkoventtiili, venttiili on liitettävä toimilaitteen ja lohkoventtiilin väliin. Virtausta säädetään kääntämällä venttiiliä; myötäpäivään suuremmalle virtaukselle ja vastapäivään pienemmälle virtaukselle. Kun haluttu virtaus on asetettu, kiristä mutteri estääksesi halutun arvon poikkeamisen mahdollisten värähtelyjen vuoksi.







