Uudet tuotteet
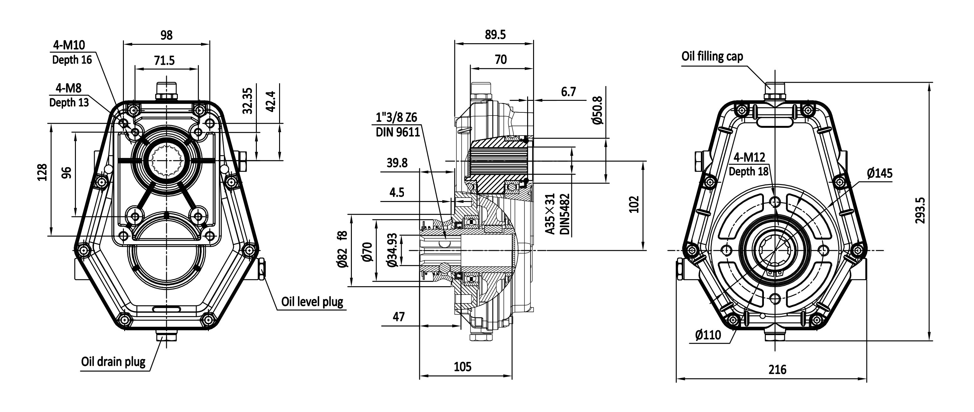
MULTIPLIKAATTORI GR.3 - 1:3 - NAARASLIITÄNTÄ
| Tekniset tiedot | |
| Toimittaja: | Italia |
| Palautus tai vaihto: | 14 päivää |
| Takuu: | 6 kuukautta |
| Välityssuhde: | 1:3 |
| Hydraulipumpuille: | GR. 3 |
| Liitäntä: | VOIMANSIIRROSAKSELI – 1" 3/8 – 6 hampaainen (naaras) |
| Sisääntulonopeus: | 540 r/min |
| Sisääntulovääntö: | 49 daNm |
| Ulosmenonopeus: | 1620 r/min (max. 3000 r/min) |
| Ulosmenovääntö: | 16 daNm |
| Kuorma: | enintään 20 kW |
| Tuotteen paino: | 7,1 kg |
| Vaihteiston voiteluaine: | SAE 80W-90 öljy |
KÄYTTÖOHJEET
1. Tarkoitus
Vaihdelaatikko on mekaaninen voimansiirto, joka nostaa ulostuloakselin pyörimisnopeutta ja mahdollistaa hydraulisen ratashydrauliikkapumpun käytön traktorin PTO-akselin välityksellä.
Sitä käytetään seuraavien ajamiseen:
- hydrauliset voimalaitteet,
- metsännosturit,
- klapikoneet,
- muut hydrauliset laitteet.
2. Asennusasento
Vaihdelaatikko on asennettava oikeaan toimintasijaintiin varmistamaan vaihteiden asianmukainen voitelu. Suositeltava on vaakasuora asennus, joten pumpun ja vaihdelaatikon tulisi olla linjassa vaakasuoraan.
Tärkeää:
- vaihdelaatikko tulee aina asentaa niin, että kotelon sisällä oleva öljy on kosketuksissa vaihteistoon,
- pitkäaikainen käyttö ylösalaisin ei ole sallittua,
- vaihdelaatikko on tuettava mekaanisesti (sen ei tule riippua pelkästään PTO-akselista).
3. Pyörimissuunta
Ennen asennusta tarkista PTO-akselin pyörimissuunta ja hydraulipumpun vaadittu pyörimissuunta.
Väärä pyörimissuunta voi aiheuttaa pumpun vaurioitumisen, tiivisteiden rikkoutumisen ja huonon öljyn virtauksen.
4. Öljyvoitelu
Vaihdelaatikkoa on jatkuvasti voitelettava öljyllä kotelon sisällä varmistaaksesi vaihteiden asianmukaisen toiminnan. Suositeltu voiteluaine on SAE 90 -vaihdeöljy.
Vaihdelaatikko on täytettävä öljyllä kontrollitason tasolle asti.
Ennen ensimmäistä käyttökertaa poista täyttötulppa, täytä laite öljyllä tasomerkkiin asti ja sulje tulppa.
Ennen jokaista käyttökertaa tarkista öljytaso. Ensimmäinen öljynvaihto suositellaan 50 käyttötunnin jälkeen, ja sen jälkeen 1500 käyttötunnin välein tai kerran vuodessa.
5. Käyttölämpötila
Vaihdelaatikon kotelon normaali käyttölämpötila on 50–80 °C. Jos lämpötila ylittää 90 °C, tarkista öljytaso, kuormitus ja linjaus.
6. Huolto ja mahdolliset ongelmat
| Ongelma | Mahdollinen syy | Ratkaisu |
| Ylikuumeneminen | Öljytaso liian alhainen | Tarkista öljytaso |
| Melu | Kulumistuneet laakerit | Huolto |
| Tärinä | Väärä linjaus | Tarkista asennus |
| Öljyvuoto | Vaurioitunut tiiviste | Vaihda tiiviste |








