Νέα προϊόντα
ΠΝΕΥΜΑΤΙΚΗ ΧΕΙΡΟΚΙΝΗ ΒΑΛΒΙΔΑ 5/3 3/8 PRT-1053-ARR ΜΕ ΜΗΧΑΝΙΣΜΟ ΕΠΙΣΤΡΟΦΗΣ

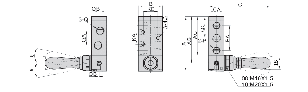
A | AB | AC | B | C | CA | KA | KB | P | PA | Q | QA | QB | QC | Θ | ||
5/3 1/4' ARR | 81,5 | 69,5 | 57,5 | 35 | 90 | 22 | 20 | 23,5 | G 1/8 | 36 | G 1/4 | 21 | 1,5 | 32,5 | 8,5 | |
5/3 1/4' CRR | ||||||||||||||||
5/3 3/8' ARR | 101 | 87 | 73 | 40 | 94 | 27 | 24 | 27,5 | G 1/4 | 45 | G 3/8 | 24 | 2 | 40,5 | 10 | |
5/3 3/8' CRR |
ΔΙΑΓΡΑΜΜΑ ΣΥΝΔΕΣΗΣ ΓΙΑ 5/3 ARR

ΠΝΕΥΜΑΤΙΚΕΣ ΒΑΛΒΙΔΕΣ
Οι πνευματικές βαλβίδες ελέγχουν τη ροή του αέρα στο σύστημα. Με το άνοιγμα, το κλείσιμο ή την μερική απόφραξη, διαχειρίζονται τη ροή, την πίεση και την κατεύθυνση του αέρα για να ενεργοποιήσουν μηχανικές διαδικασίες. Οι πνευματικές βαλβίδες χρησιμοποιούνται συνήθως στην αυτοματοποίηση, την παραγωγή, τη βιομηχανία αυτοκινήτων και σε πολλούς άλλους τομείς όπου ο συμπιεσμένος αέρας χρησιμοποιείται ως πηγή ενέργειας.
ΒΑΛΒΙΔΕΣ ΕΛΕΓΧΟΥ
Βαλβίδα 3/2: έχει τρεις συνδέσεις και δύο θέσεις, χρησιμοποιείται συνήθως για κυλίνδρους μονής δράσης.
Βαλβίδες 5/2: έχουν πέντε συνδέσεις και δύο θέσεις, χρησιμοποιούνται για κυλίνδρους διπλής δράσης.
Βαλβίδα 5/3: έχει πέντε συνδέσεις και τρεις θέσεις, προσφέροντας επιπλέον επιλογές ελέγχου για κυλίνδρους διπλής δράσης.
ΛΕΙΤΟΥΡΓΙΕΣ ΠΝΕΥΜΑΤΙΚΩΝ ΒΑΛΒΙΔΩΝ
Ρύθμιση ροής: ελέγχουν την ποσότητα του αέρα που περνάει από το σύστημα.
Έλεγχος κατεύθυνσης: ελέγχουν την κατεύθυνση στην οποία ο αέρας ενεργοποιεί διάφορες συσκευές στο σύστημα.
Ρύθμιση πίεσης: διατηρούν το επιθυμητό επίπεδο πίεσης για να εξασφαλίσουν τη σταθερότητα και την αποδοτικότητα του συστήματος.
ΕΦΑΡΜΟΓΗ ΠΝΕΥΜΑΤΙΚΩΝ ΒΑΛΒΙΔΩΝ
Συστήματα αυτοματοποίησης: χρησιμοποιούνται σε ρομποτικά χέρια, ιμάντες μεταφοράς και αυτοματοποιημένες γραμμές παραγωγής για τον έλεγχο της κίνησης και των διαδικασιών.
Παραγωγή: απαραίτητες για τον έλεγχο πνευματικών εργαλείων, μηχανών και εξοπλισμού.
Αυτοκινητοβιομηχανία: χρησιμοποιούνται σε συστήματα αερανάρτησης, συστήματα φρένων και έλεγχο κινητήρα.
Συσκευασία: ελέγχουν την κίνηση και τη λειτουργία μηχανών συσκευασίας.
Οι πνευματικές βαλβίδες είναι κρίσιμες για τον ακριβή έλεγχο της ροής και της πίεσης του αέρα σε διάφορες βιομηχανικές εφαρμογές για να εξασφαλίσουν βέλτιστη λειτουργία και αποδοτικότητα.







