Νέα προϊόντα
ΠΟΛΛΑΠΛΑΣΙΑΣΤΗΣ GR.3 - 1:3,8 - ΑΡΣΕΝΙΚΗ ΣΥΝΔΕΣΗ
| Τεχνικές πληροφορίες | |
| Προμηθευτής: | Κίνα |
| Επιστροφή ή ανταλλαγή: | 14 ημέρες |
| Εγγύηση: | 6 μήνες |
| Σχέση μετάδοσης: | 1:3,88 |
| Για υδραυλικές αντλίες: | GR. 3 |
| Σύνδεση: | Άξονας PTO – 1" 3/8 – 6 αυλακώσεις (αρσενικό) |
| Ταχύτητα εισόδου: | 540 σαλ |
| Ροπή εισόδου: | 43,7 daNm |
| Ταχύτητα εξόδου: | 2052 σαλ (μέγιστο 3000 σαλ) |
| Ροπή εξόδου: | 11,5 daNm |
| Φορτίο: | έως 20 kW |
| Βάρος προϊόντος: | 8,3 kg |
| Λιπαντικό κιβωτίου: | Λάδι SAE 90 |
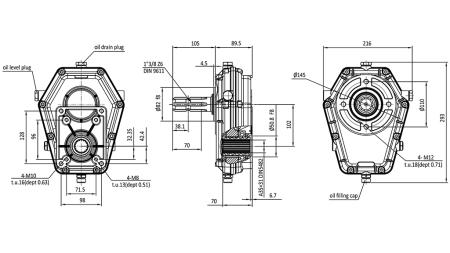
ΔΙΑΣΤΑΣΕΙΣ

ΟΔΗΓΙΕΣ ΧΡΗΣΗΣ
1. Προοριζόμενη χρήση
Το κιβώτιο ταχυτήτων είναι ένας μηχανικός μεταδότης που αυξάνει την περιστροφική ταχύτητα του άξονα εξόδου και επιτρέπει τη λειτουργία μιας υδραυλικής οδοντωτής αντλίας μέσω του άξονα PTO του τρακτέρ.
Χρησιμοποιείται για την κίνηση:
- υδραυλικών μονάδων ισχύος,
- δασικών μηχανισμών ανύψωσης,
- θραυστήρων ξύλου,
- άλλου υδραυλικού εξοπλισμού.
2. Θέση εγκατάστασης
Το κιβώτιο ταχυτήτων πρέπει να εγκαθίσταται στη σωστή θέση λειτουργίας για να εξασφαλιστεί η κατάλληλη λίπανση των γραναζιών. Συνιστάται οριζόντια εγκατάσταση, έτσι ώστε η αντλία και το κιβώτιο να ευθυγραμμίζονται οριζόντια.
Σημαντικό:
- το κιβώτιο πρέπει πάντα να εγκαθίσταται έτσι ώστε το λάδι μέσα στο περίβλημα να έρχεται σε επαφή με τη μετάδοση των γραναζιών,
- δεν επιτρέπεται η μακροχρόνια λειτουργία με αναποδογυρισμένη θέση,
- το κιβώτιο πρέπει να στηρίζεται μηχανικά (δεν πρέπει να κρέμεται μόνο από τον άξονα PTO).
3. Κατεύθυνση περιστροφής
Πριν από την εγκατάσταση, ελέγξτε την κατεύθυνση περιστροφής του άξονα PTO και την απαιτούμενη κατεύθυνση περιστροφής της υδραυλικής αντλίας.
Η λανθασμένη κατεύθυνση περιστροφής μπορεί να προκαλέσει ζημιά στην αντλία, αποτυχία στεγανοποίησης και κακή ροή λαδιού.
4. Λίπανση με λάδι
Το κιβώτιο πρέπει να λιπαίνεται συνεχώς με λάδι μέσα στο περίβλημα για να εξασφαλίζεται η σωστή λειτουργία των γραναζιών. Το συνιστώμενο λιπαντικό είναι το λάδι κιβωτίου SAE 90.
Το κιβώτιο πρέπει να γεμίζεται με λάδι μέχρι το επίπεδο ελέγχου.
Πριν από την πρώτη χρήση, αφαιρέστε το βύσμα πλήρωσης, γεμίστε τη μονάδα με λάδι μέχρι τη σήμανση επιπέδου και κλείστε το βύσμα.
Πριν από κάθε χρήση, ελέγχετε την στάθμη του λαδιού. Η πρώτη αλλαγή λαδιού προτείνεται μετά από 50 ώρες λειτουργίας και μετά κάθε 1500 ώρες ή μία φορά το χρόνο.
5. Θερμοκρασία λειτουργίας
Η φυσιολογική θερμοκρασία λειτουργίας του περιβλήματος του κιβωτίου είναι μεταξύ 50 και 80°C. Εάν υπερβεί τους 90°C, ελέγξτε τη στάθμη του λαδιού, το φορτίο και την ευθυγράμμιση.
6. Συντήρηση και πιθανά προβλήματα
| Πρόβλημα | Πιθανή αιτία | Λύση |
| Υπερθέρμανση | Ανεπαρκές επίπεδο λαδιού | Ελέγξτε τη στάθμη λαδιού |
| Θόρυβος | Φθαρμένοι ρουλεμάν | Σέρβις |
| Δονήσεις | Λάθος ευθυγράμμιση | Ελέγξτε την εγκατάσταση |
| Διαρροή λαδιού | Κατεστραμμένη σφράγιση | Αντικαταστήστε τη σφράγιση |









