Jauni produkti
PROPORCIONĀLA VENTILIS TRAKTORA PRIEKŠĒJAM IEKRAUTĀJAM - OPEN CENTER LVM92 EHP
| Tehniskā informācija | |
|
Piegādātājs: |
Turcija |
|
Atgriešana vai apmaiņa: |
14 dienas |
|
Garantija: |
6 mēneši |
|
Tips: |
ATVĒRTS CENTRS |
|
Darbspiediens: |
250 bāri |
|
Normālais plūsmas daudzums: |
90 litri/min |
|
Savienojuma vītne: |
1/2" |
|
Sadaļu skaits: |
2 |
Apraksts
LVM92-EHP ir monobloka vārsts, kas paredzēts traktora priekšējā iekrāvēja vajadzībām, nodrošinot lieliskas proporcionālas darbības īpašības un vieglu uzstādīšanu. Tam ir plūsmas ātrums līdz 90 l/min un darbspiediens līdz 250 bāriem.
Vārsts nodrošina pilnībā elektroproporcionālu vadību, tai skaitā peldošo funkciju, neatkarīgi no slodzes un darba apstākļiem.
Komplektā iekļauts vārsts, proporcionālās vadības džostiks un elektroinstalācijas vadi.
Lietojums

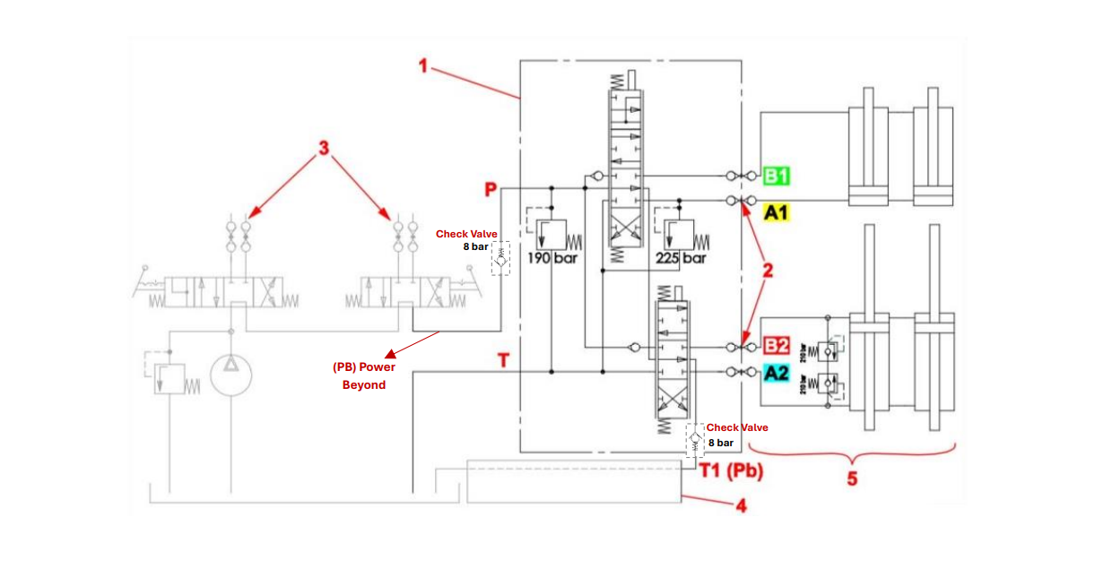
Lai sistēma darbotos pareizi, rūpīgi ievērojiet visus zemāk norādītos soļus:
- Veiciet savienojumu kā attēlā.
- Pārliecinieties, ka hidrauliskais akumulators ir pareizi pieslēgts.
- Pārbaudiet, ka ieplūdes spiediens nepārsniedz 250 bārus.
- Nodrošiniet, ka nominālais plūsmas daudzums ir 90 l/min.
- Pārbaudiet, ka savienojumi pie portiem B1, A1, A2 un B2 ir pareizi pieslēgti.
- Nodrošiniet, ka noplūdes (noplūdes) līnija ir pareizi pieslēgta.
- Pārbaudiet, ka T (tvertnes) un P (spiediena) līnijas ir pareizi pieslēgtas un darbojas.

- Ja hidrauliskajā līnijā ir divi vārsti, pieslēdziet pirmā vārsta pārsūtīšanas izeju pie otrā vārsta spiediena ieejas.
- Ja tiek lietots tikai viens vārsts, pieslēdziet vārsta pārsūtīšanas izeju tieši pie tvertnes.


Diagrammā parādīta ATVĒRTA CENTRA hidrauliskā sistēma:
1. Proporcionālais vārsts (LVM92 EHP) pie pieslēguma saskarnes labajā pusē.
2. Saskarne traktora priekšējam iekrāvējam.
3. Traktorā jau uzstādītie hidrauliskie vārsti var tikt izmantoti citiem patērētājiem.
4. Citi vārsti vai palīgvārsti.
5. Traktora priekšējais iekrāvējs.
Trīs hidrauliskās līnijas (P, T1, T) savieno ATVĒRTA CENTRA proporcionālo vārstu ar traktora hidraulisko sistēmu:
- P – spiediena līnija
- T – atgriešanās līnija (tvertne)
- T1 – spiediena pārsūtīšana (Power Beyond – “PB”) + 8 bāru atsperots pārbaudes vārsts

Pieslēdziet vārstu kā attēlā augstāk:
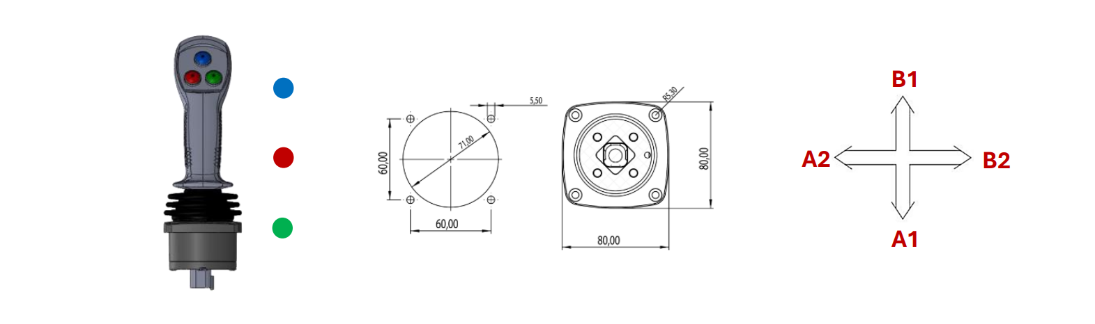
- Pārliecinieties, ka sistēmas spriegums ir 12 V.
- Pārbaudiet, ka barošanas kabelis ir pareizi pieslēgts.
- Sistēmā jābūt ķēdes kabelim un 120 omi pretestībai.
- Pēc džostika pieslēgšanas pārliecinieties, ka ACAS LED indikatori iedegas zaļā krāsā.
- Pārbaudiet, ka visi kabeļi ir droši un pareizi pieslēgti.

- ZILS poga: 6/2 virziena vadības vārsts (brīdināšanas poga)
- SARKANA poga: peldošā funkcija (ieslēgšanas poga ar bloķēšanu)
- ZAĻA poga: lēns/ātrs (ieslēgšanas poga ar bloķēšanu)
Peldošā funkcija: Pārvietojiet džostiku B1 (nolaišana) virzienā. Kamēr džostiks atrodas B1 pozīcijā, nospiediet peldošās funkcijas (FLOAT) pogu, lai aktivizētu peldošo režīmu. Brīdinājums: Nep veiciet šo darbību, ja iekrāvējs ir pacelts pārāk augstu.









