Nya produkter
ERC04 VÄXELLÅDA FÖR ELEKTRISK MOTOR MS100 (2.2-3-4KW) FÖRHÅLLANDE 25:1
Beskrivning:
ERC växellådor används i kombination med elektriska motorer. ERC växellådor är designade baserat på ett modulärt system. Vi kan koppla olika typer av motorer (klassiska, frekvens, broms ...). Det används i applikationer som byggnation, livsmedelsindustri (köttkvarnar...), drivremmar (rullar, etc.) och mer.
Växellådan reducerar varven på den elektriska motorn till det värde vi vill arbeta med. Växellådorna har ett förhållande på 25:1.
När du installerar växellådan, se alltid till att:
- data på namnskylten överensstämmer med data för den beställda artikeln
- höljet och axlarna är rena och oskadade
- ytan som växellådan är fäst vid är plan och tillräckligt stark
- växellådan och den elektriska motoraxeln passar bra
- om det finns möjlighet till vibrationer eller fastkörning, måste en vridmomentbegränsare installeras
- roterande delar är täckta med plastskydd
- enheten som används utomhus måste vara tillräckligt väderskyddad
- driftsförhållandena orsakar inte korrosion (om det inte tidigare avtalats och växellådan och den elektriska motorn är korrekt förberedda)
- växlar, axelväxlar, in-/utgångsaxlar är ordentligt säkrade så att de inte blir radiala eller axiala laster som överskrider den maximala tillåtna gränsen
- alla kopplingar är belagda med korrosionsskyddande material för att förhindra oxidation vid kontakt
- alla fästelement måste vara ordentligt åtdragna
- dra inte åt höljesfötterna och monteringsflänsarna mot varandra och se till att du observerar den tillåtna radiala och axiala lasten.
- Innan du startar, kontrollera oljenivån som rekommenderas för den monterade positionen. Oljekontroll- och dräneringsskruven samt ventilventilen är lättåtkomliga.
- Slå aldrig på remskivor, kopplingar, växlar, etc. på änden av axeln med en hammare. Detta kommer att skada lagret, höljet och axeln
Alla beräkningar baseras på elektriska motorer med 1400 varv. Om du använder en elektrisk motor med en annan hastighet än 1400 varv per minut, dela ingångsvarven med växellådans förhållande för att få utgångsvarven.
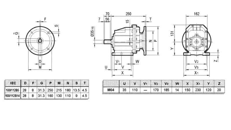
Mer teknisk data kan hittas i bilagan 'DIMENSIONER - DATARK'.



%20RAZMERJE%2025proti1.jpg)
%20RAZMERJE%2025proti1.jpg)
%20RAZMERJE%2025proti1.jpg)


