Novi artikli
HIDRAVLIČNI ŽENSKI ZAPORNI ČEP (8L) M14x1,5
Šifra:
89275
OEM:
9990000174713
Stopnja davka
22 %
Cena brez DDV:
0,98 EUR
Cena z DDV:
1,20 EUR
Ref:
93

|
|
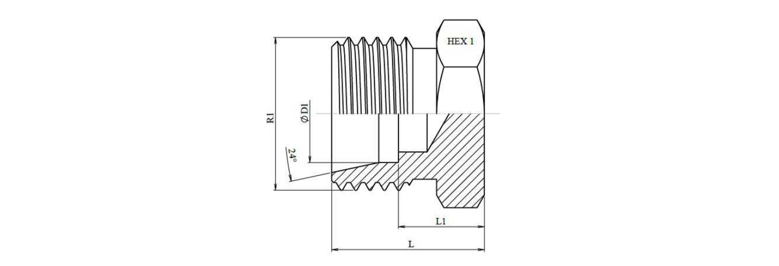
ØD1 |
Series |
R1 |
(bar) |
L |
L1 |
HEX 1 |
(Kg) |
|
89274 |
6 |
L |
12x1.5 |
315 |
14 |
7 |
12 |
0,009 |
|
89275 |
8 |
14x1.5 |
15 |
8 |
14 |
0,013 |
||
|
89276 |
10 |
16x1.5 |
16 |
9 |
17 |
0,017 |
||
|
89277 |
12 |
18x1.5 |
17 |
10 |
19 |
0,026 |
||
|
89278 |
15 |
22x1.5 |
18 |
11 |
24 |
0,043 |
||
|
89279 |
18 |
26x1.5 |
19 |
11,5 |
27 |
0,062 |
||
|
89280 |
22 |
30x2 |
160 |
21 |
13,5 |
32 |
0,093 |
|
|
89281 |
6 |
S |
14x1.5 |
630 |
18 |
11 |
14 |
0,019 |
|
89282 |
8 |
16x1.5 |
20 |
13 |
17 |
0,029 |
||
|
89283 |
10 |
18x1.5 |
20 |
12,5 |
19 |
0,035 |
||
|
89284 |
12 |
20x1.5 |
22 |
14,5 |
22 |
0,049 |
||
|
89285 |
14 |
22x1.5 |
23 |
15 |
24 |
0,062 |
||
|
89286 |
16 |
24x1.5 |
400 |
24 |
15,5 |
27 |
0,079 |
|
|
89287 |
20 |
30x2 |
28 |
17,5 |
32 |
0,132 |
Izdelano iz Ogljikovega Jekla






